Godfried-Willem Raes

| year | name | description | remarks & links | inventory nr. | |
| 1964 | Radio Receiver | AM band receiver, using a 401 coil and radio band extensions | my first radioreceiver, many more followed... | disappeared | |
| 1965 | FM-station | Broadcasting station (3W) on the FM band | using vacuum tubes | confiscated | |
| 1966 | Tape recorder | 3 motor tape recorder with vacuum valves | based on a Colaro deck | demolished | |
| 1967 | Organ | 2 octave electronic organ | using integrated circuits | demolished | |
| 1968 | Theremin | vacuum tube instrument | using antique tetrodes | ||
| 1968 | Automatische Dirigent | automatic polymetric conducting device (first robot) | used and made for 'Logos 3:5', a composition by the author. |
demolished. (can functionally be replaced with polymetronome, 1991/1994/2012) |
|
| 1969-1971 | Monochords
(electrified instruments) |
instrument | stringed instrument, amplified |
Four non-identical copies made 1969-1971 The oldest monochord was given to its main player, Wiljam Vanmarsenille as a present when he left the logos group. |
Monochord 3 |
| 1969 | Klopdoos (Knockbox) | instrument | wooden boxes with build-in moving coil contact microphones placed on stands | one repaired 05.2019 |
klopdoos |
| 1969 | Ringmodulators | analog electronic instruments | electronic modulator |
many types were made over the years Model 1, using toroidal audio transformers was used for 'Epitafium', 1970. This model does no longer exist. Model 2: using balanced modulator/demodulator chips, 1979 (Built into cigar boxes) Model 3: using Analog devices multiplier chips. 19" rack, quad ringmodulator. Used for Luc Brewaeys orchestral compositions 'Due Cose' and 'Trajet'. |
Model 2
Model 3: Quad ringmodulator |
| 1969 | Sequencer | using cascaded 555 chips | voltage control output | repaired 2017 | |
| 1969 | Timer - Buzzer | programmable for very long intervals | needs 9V battery | rev.1977 | |
| 1969 | Square Wave Generator | square wave generator for live electronics | 3 keys with presettable pitch. Vibrato control. | used for 'Epitafium for Gamal Abdel Nasser', 1970 | |
| 1970 | Klavimonochord | electrified instrument |
stringed instrument with keyboard (recycled piano keyboard) 4-pick-ups with mixer |
1410 mm x 470 mm, h = 260 (closed)
repaired 2018. In working condition. |
|
| 1970 | Tape head reading pen | playing tool for reading magnetized layers or sheets of prerecorded magnetic tape | needs special 2-channel preamp circuit (renovated 2019) | in working condition | |
| 1970 | NAB-IEC tape head amp | studio equipment |
renovated 2019 (used for refurbishing old Revox G36 taperecorders) |
in working condition | |
| 1970 | RIAA pick-up cardtridge amp | studio equipment | rebuild 2019 | ||
| 1971 | Dodekadent | analog electronic instrument - 12 voltage controlled relaxation oscillators | [English notes] [Dutch notes] | 12 voices, 4-channel-out. | |
| 1971 | Monokord | monochord using a piezo-pickup | repaired 1976 |
Monochord 4 |
|
| 1971 | Multidimensional Oscillator | analog experimental instrument using a cold cathode decatron tube | under reconstruction, 2020 | ||
| 1972 | Klavibikord | an amplified linear small klavichord, with two strings. 4-note polyphonic. | battery operated (2 x 9V), stereophonic | repaired 05.2019 | |
| 1970-72 | Bellenorgel | automated signal bell and car horn automat |
a simple electromechanical computer sequencer using telephone relays and electromechanical shift registers |
in working condition | ![]() |
| 1972 | VCS2000 | sound box instrument | hybrid: electronic and electromechanical |
tiny 'harp' |
![]() |
| 1972 | Ritmisator | analog electronic instrument | electronic envelope modulator |
12 voices, quad-out. matrix patchboard demolished |
demolished in 1987 for recycling parts. |
| 1972 (rev.1976) | Dudafoon | electroacoustic instrument / sculpture | [English notes] [Dutch notes] | in reasonable working condition | ![]() |
| 1972 | Tap-Tone organ synth | electronic instrument |
tap-tone generator organ tone generator transformer ring modulator |
battery operated (9V) | |
| 1973 | Elektronische drumkit | electronic instrument |
gyrator based percussion sounds 12-channel mixer |
modified 1982 to work on a computer printer port | |
| 1973-75 (rev.1988) | Beltotem | interactive sound sculpture | |||
| 1973-75 | Beltelefoon | interactive sound sculpture | ![]() |
||
| 1973 | Log Drums | instrument, teponatzli | percussion: wood | ![]() |
|
| 1973 | Elektromagnetische doos (EM-Box) | instrument for amplifying a set of ferromagnetic objects | battery operated (9V) |
preamp replaced 2002 fully repaired, 05.2019 |
EMbox |
| 1973 | Singing Saw | bowed instrument | spring steel and wood | lost | ![]() |
| 1973 | Baleinofoon | amplified instrument | piezo contact mike and preamp inside | repaired, 08.2019 | |
| 1973 | Styro-Mandolin | modified mandolin banjo | styrofoam soundboard | styrofoam replaced in 1998 | |
| 1973-74 | Duchamps Harp | mounted and amplified bicycle wheels | a collaborative project with COUM (Cosy Fanni Tutti and Genesis P.Orridge(+)) |
12 assemblies used for the performance, january 1974. Contact mike and preamp replaced 2002. Repaired 29.12.2020. |
|
| 1974 | Fork Resonators | instrument | percussion: aluminium, steel, brass |
full set sold prototypes available |
|
| 1974 | Optorgofoon | analog electronic sculpture | electronic proximity controlled instrument |
24 voices checked ok 04.2019 |
|
| 1974 | Audio compressors | for use with ringmodulators and live electronics |
buffered diode compressor circuit using AA119 diodes battery operated (2 x 9V) |
4 copies build 1 repaired march 2019 |
|
| 1975 | Fingerboards (series of many similar instruments) | electromechanical instruments | electromechanical instruments using both piezo- and electromagnetic pick-ups. |
fingerboard 1 |
|
| 1975 | Fingerboard 3 | portable model | with piezo-microphone and preamplifier (battery operated, 9V) |
repaired 1980 (electret mike replaced with piezo) Checked o.k.2019 |
|
| 1975 | Amplified Springboard | electromechanical instruments |
with build-in amplifier and volume control. Can feedback. |
repaired 03/2014 | |
| 1975 | Optokraak | craclebox with optical control | to be repaired | ||
| 1975 | Quad preamp | 20dB gain quad preamp in a tobaco can | |||
| 1975 | Springdriver/receiver | electromechanical with 4 piezodiscs and 4-channel preamps | used for 'Strings & Mythes' and for 'Montage'. Also used for 'Holosound' and 'Timeframes' | ||
| 1975 | Transformationeel Regeneratieve Synthesizer (TRS) | made to operate with viollin input (contact-miked) | VCO's, VCF's, VCA's, Pitch to voltage convertor, ringmodulator... | to be checked | |
| 1976 | dB-level switch | triggers on exceeding a preset sound level |
usefull as a +90dbA monitor. Needs cristal microphone Drives either a 12V bulb or a bell. Maximum load 1 A. |
works, checked 09.2023 and used again for political actions against noise polution. | |
| 1976 | Manipulofoon | handoperated tape playback device |
two full track tape playback heads, mounted on a stand. Two channel line level audio output. repaired 09/2015 |
used in 'TimeFrames' | ![]() |
| 1976 | Kraakdoos | electronic craclebox after an idea of Michel Waisvisz |
with seven touch-pads etched on a PCB, with balanced line output connector repaired 04.2019 |
many copies made over the years Battery operated (9v) |
|
| 1976 | Kraakdoos | electronic craclebox after an idea of Michel Waisvisz |
with two times six touch-pads etched on a PCB. Two voices model. repaired 03.2019 |
many copies made over the years used in 'Ohre' Battery operated (2 x 9V) |
|
| 1976 | Luisterdoos (sound stethoscope) | a small metal box with a built-in piezo contact microphone and a preamp driving headphones | made for children workshops in acoustical and environmental sound and vibration exploration |
about 20 made and sold as toys Battery operated (9V) |
|
| 1976 | Emmertjes | Triple bucket brigade delay line modulator |
19" rack mount uses analog bucket brigade memory chips in a feedback configuration with a voltage controlled clock. |
studio equipment, used for BBDLSP | |
| 1977 | Springbanjo | electromechanical instrument | skin, wood, spring. Amplified. | ||
| 1977 | Optosynth | Optically controlled kid synthesizer | repaired 03.2014 | ||
| 1977 | Three Nuns | two battery operated portable 8-bit samplers | used in combination with old telephone handsets for my composition 'Three Nuns' for the Logos duo. | ||
| 1978 | Fingerbox | soundbox instrument | [English notes] [Dutch notes] | used in 'Arbeidslust' | ![]() |
| 1978 | Synthelog I | portable synthesizer |
mains switch repaired 29.04.2019 in working condition, 2019 |
Synthelog I |
|
| 1978 | Synthelog II |
portable synthesizer
|
fully repaired/restaured 16.10.2018 90-230V ac - figure 8 power connector |
in working condition, 2019 | |
| 1978 | Synthelog III | small portable synthesizer |
Of this model, we produced five copies, which were sold.
|
to be checked | ![]() |
| 1979 | Synthelog IV | double model synthelog portable synth. | Webpage Synthelog | to be checked | ![]() |
| 1979 | Synthelog for kids | portable synthesizers |
Highly simplified model. |
checked o.k 04/2019 | |
| 1979 | Synthelog V | mini synth with LDR controls | Webpage Synthelog | needs repair | |
| 1979 | Mini Synthelog | mini synthesizer |
Of this model, ten copies have been build and sold. |
![]() |
|
| 1979 | Mini synthelog | with touch contacts and light dependent resistors | Webpage Synthelog | to be checked | |
| 1979 | Stereo noise generator | two uncorrelated noise channels, one TTL output, in a metal cigar box. | to be checked | ||
| 1979 | Sirene | 12 automated sirens | robot, interactive composing automat |
to be checked |
![]() |
| 1979-80 | Canons | five remote controlled canons for dummy explosives | (commisioned by the National Philharmonic Orchestra and the Brussels Philharmonic Society) |
large welded steel construction console remote control with 24-key keyboard and safety lock |
probably lost or destroyed at the Brussels Palais des Beaux Arts A complete description can be found in my book 'Logos @ 50' (2018) |
| 1980 | Singing Bicycles | turning bicycles into instruments | [English text] [Dutch text] [French notes] | one set of 24 available at Logos, one set owned by Charlie Morrow (New York), one set made in Cork, Ireland (2008). | ![]() |
| 1980 | Harp processor | a transformational synth and modulator for a harp | designed and build to the order of Gyde Knebusch | sold | |
| 1980 | Trigger Interface | a dual trigger interface for use with instrument pick-ups (input) and synthelog synths | |||
| 1981/1989 | An ear for violin, an ear for clarinet | Two analog phase locked loop based devices for 8-note polyphonic real-time pitch recognition. | each board has 8 sharp filters tuned to possible inputs from violin and clarinet. | adapted to work on the Hex-bus, 1989 | |
| 1981 | Quadrofonic 12-input patcher |
12 inputs, 4 outputs and stereo mixdown made for real time electronic music concerts |
studio equipment balanced in- and outputs, line level |
||
| 1981 | Kraakdoos | made for children sound workshops |
using recycled printed circuit boards rechecked 03.2014 |
some 20 copies were produced and sold | |
| 1982 |
Klankspoor / Soundtrack version 1.0 |
tape recording / playback machine working at walking speed | webpage on the Soundtrack project | ![]() |
|
| 1982 |
Soundtracker version 2.0 |
tape recording / playback machine working at walking speed. Shotgun microphone mounted on the instrument. | webpage on the Soundtrack project | in working conditon 2019 | |
| 1982 | Triple VCO synth module | made to the order of the Royal Conservatory of Music | in working condition 2024 | ||
| 1981/1982 | Digital Loudspeaker | audio art project using plasma speakers | Talking Flames | in working condition, 2019 | ![]() |
| 1983 | Holosound | sonar installation | [Dutch text] [English text] [French text] | in working condition, 2019 | one copy owned by 'Klankspeeltuin', Muziekgebouw Amsterdam, one copy owned by MIM, Brussels. |
| 1983 | Ultrasonic craclebox | sonar device | needs the Holosound demodulation circuitry | checked o.k 04.2019 | |
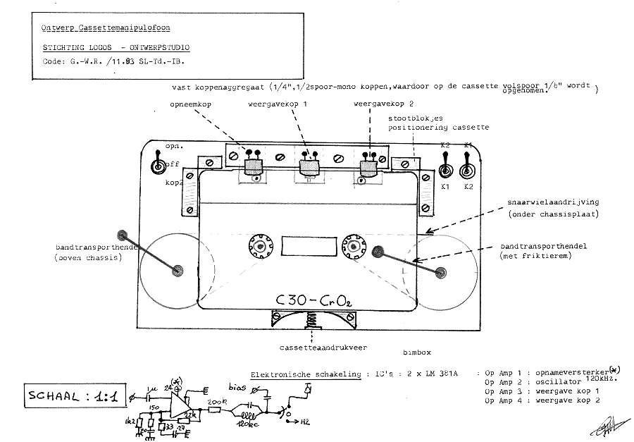
| 1983/84 | Cassette Manipulofoon | manual cassette tape scratch machine | lost | ![]() |
|
| 1984 | Logolog | a talking synthesizer | uses an 8-bit allophone generator chipset | needs repair | |
| 1984 | Bow microphone | a bridge with contact microphone to amplify the bowhair vibrations | a specific preamp was designed and build in 2002. | ![]() |
|
| 1985 | Solstice Mixers 1 - 2 | made for the solstice event 21.06.1985 in the Ghent Bellfry tower | |||
| 1985 | Solstice Mixer 3 | made for the pick-ups on the large carillon bells in the Ghent Belfry tower |
comes with a set of moving coil pickup's to be attached to the bells Used for 'Tutti Tubi in Campane' |
needs repair | |
| 1985 | Solstice Mixer 4 | made for the Hemony bells in the Belfry museum | |||
| 1986 | Hex 1 |
electroacoustic computer controlled orchestra |
computer controlled miniature acoustic instruments | original version for the Epson HX20 laptop. | |
| 1987 | Hex 2 | digital installation,
electroacoustic computer controlled orchestra |
computer controlled miniature acoustic instruments | version for the Epson HX20 laptop. | |
| 1987 | Toetkuip |
outdoors event & instrument |
(revised 2005) |
180kg In working condition 2019 |
![]() |
| 1987 | Klankboot | outdoors event & instrument | [Dutch Text] |
240kg Needs a Tabor boat |
|
| 1987 | Puls generator | a tool for research and measurement on musical robots | laboratory equipment | ||
| 1988 | Hex 3 | digital installation,
electroacoustic computer controlled orchestra |
computer controlled miniature acoustic instruments | version for the Toshiba T1000 laptop. | |
| 1988 | Optofmofoon | electronic instrument | uses cascaded 555 timer chips | ||
| 1988 | Chromatic octaves synth | 12 x 8 octaves chromatic synth module |
PCB used in the first version of our <So> robot. 2 copies made. |
||
| 1988 | Synthelog'88 | computer controlled hybrid synthesizer |
Open PCB board uses the HEX-bus |
||
| 1983/96 | Pneumafoon |
orchestra/ pneumatic sound sculpture consists of 24 modules and 3 large compressors |
Complete pneumaphone catalogue and pictures on the web: click link above |
ca. 2000kg | |
| 1988 | Kinderversterkers | 2 mengingangen, ingebouwde voeding en luidspreker 4 Watt. |
14 made, 11sold 2 in working condition 1 repaired 2019 |
||
| 1989-1991 | Construction of the Logos Tetrahedron | architectural acoustic space | seriously endangered as of 2023 | ||
|
1991 (V1) 2002 (V2) 2007 (V3) 2009 (V4) 2020 (V5) |
Autosax |
automatic robotic instrument, programmable midi implemented |
programmable automatic instrument based on a C-melody saxophone taken from an old Grymonprez orchestrion). | R1 | ![]() |
| 1992 | Muscle-interface | computer-controller | human interface | used to amplify the sounds of a starving tree in the opera 'Rooie Niki' (Rednick) | myoelectric amplifier, can also be used to capture plant signals. |
| 1992 | Balanced I/O driver | audio-electronic studio module | made for the electronic music studio at Logos | ||
| 1993 | Invisible instrument |
invisable instrument (digital interface) using ultrasound presented as part of Godfried-Willem Raes doctoral dissertation. |
[English text] | used for 'A Book of Moves' and 'Songbook' | one copy owned by the Brussels MIM |
| 1993 | Brainwave-interface | computer-controller | human interface | ||
| 1993 | Virtual Jews Harp | radar controlled instrument | Virtual Jews Harp | uses microwave Gunn diodes | |
|
1994 (V1) 2012 (V2) |
Polymetronome | computerized conductor |
performance tool |
R2 | |
| 1994-1995 | Carrozza del Impossibilita del Unisono | open air parade construction | dutch description | parts later recycled for other projects (Le Grand Coucou) | |
| 1995 (V1) | Player Piano |
Piano Vorsetzer digital automated instrument, in collaboration with Gerhard Trimpin |
[Dutch only: naar betreffend hoofdstuk in kursus Experimentele Muziek] |
R3 | ![]() |
| 1995 | Sonar Ranger | computerinterface | human interface |
uses a Polaroid sensor at 50kHz needs repair used a.o. in 'Ping' by Joachim Brackx |
|
| 1995 | Egg | 3-axis accelleration controller for gestural sound control. | [Het ei van Godfried] | ||
| 1995 | Long Guiro | 1m long guiro, made to the order of Mauricio Kagel | |||
| 1996 | Optoson 1 | optical sound camera | used for Mach'96 | ||
| 1996 | Optoson 2 | optical sound camera | used for Mach96 | ||
| 1996 | Optoson 3 | optical sound camera | used for Mach96 | ||
| 1996 | Optoson 4 | optical sound camera | used for Mach96 | ||
| 1997 | Cloudrider | sound sculpture, robot | [bilingual article] | in working condition as of 2020 | ![]() |
| 1997 | Le Grand Coucou | street parade construction | uses large bellows and four organ pipes | available, in working condition | |
| 1997 | Theremins | historical distance controlled instrument | new design | ||
|
1997 (V1) 2005 (V2) |
<Vox Humanola> |
programmable automated instrument with 18th century single reed-pipes. Pneumatic 5 octaves |
Equal temperament A=440Hz |
to the right: Vox Humanola 250 kg R4 |
![]() |
|
1998 (V1) 2007 (V2) |
<Piperola> |
programmable automated instrument with restaured flue pipes. Pneumatic 4 octaves |
Equal temperament A=440Hz |
to the right: Piperola 140 kg R5 |
![]() |
| 1999 | Circuit for 'Elektries Strijkkwartet' van Dick Raaijmakers | analog circuit: matrix mixer | interactive instrumental interface |
commissioned by 'Champ d'Action' (+) sold |
![]() |
| 1999/2017 | Programmable Barrelorgan |
a robotic Hohner melodica Equal temperament, two octaves. A= 440Hz |
10 kg R6 |
||
| 2000/2001/ 2005 | <Harma> |
joined the robot orchestra in june 1th 2001. This automat can be taken outdoors, if the weather is dry. |
programmable automated harmonium (reed organ) Equal temperament A=435Hz |
65kg R7 |
![]() |
| 2000 | Zwiep | accelleration controller to be mounted on a flute. Based on an accelleration sensing device. | for Karin Defleyt | ||
|
2000 (V1) 2006 (V2) |
Klung |
This automaton can be taken outdoors, if the weather is dry. Revised august-september 2006. |
programmable automated brass angklung Equal temperament. A=440Hz |
ca.250 kg. R8 |
![]() |
|
2000 (V1) 2006 (V2) |
ThunderWood |
joined the robot orchestra in in july 2000 Some extra features added in 2002. Revised in september 2006. Features added october 2010. |
programmable woodblock assembly with thundersheet, windmachine, rattle, lightning, rainmachine, bird and cricket. |
ca. 110 kg R9 |
![]() |
|
2000 (V1) 2006 (V2) |
Springers |
joined the robot orchestra in september 2000 Revised september 2006 |
programmable large spring installation (4 to 6 large tetrahedral structures, 2 small), also incorporating motor driven siren, police flashlight and shakers. |
ca. 200kg R10 |
![]() |
|
2000 (V1) 2004 (V2) |
Troms | joined the robot orchestra in in august 2000. Revized, april 2004. | programmable assembly of 7 drums , from large to small. Small cymbal added 2004. |
ca. 95kg R11 |
![]() |
|
2000/2001 (V1) 2007 (V2) |
Rotomoton | joined the robot orchestra in may 2001. Revized 2007. | programmable assembly of 5 rototoms, from large to small |
ca.250kg R12 |
![]() |
| 2000/2002 | Bourdonola |
constructed in collaboration with Marc Maes joined the robot orchestra in august 2002. Revised 2004. |
low register programmable barrelorgan. The register consists of open wooden flue pipes. Equal temperament. A=440Hz Notes 36-62 |
ca. 250kg R13 |
![]() |
| 2001 | Vibi |
joined the robot orchestra in 16.10.2001 minor modifications:20.01.2004 |
programmable automated vibraphone. Equal temperament A=442Hz |
ca.95kg R14 |
![]() |
| 2002 |
|
joined the robot orchestra in 20.04.2002 revised: 08.2006 |
programmable automated brass carillon with 34 bells. |
ca.150kg R15 |
![]() |
| 2002 | Piezo-preamps | phantom powered with transformer balanced output | 14 copies made (some quad types) |
Quad piezo preamp |
|
|
2002 (V1.0) 2016 (V2.0) |
Flex |
joined the robot orchestra in 15.01.2003. revised: 05/07-2016 |
two fully automated singing saws with dual bowing mechanism and flexatone like beaters. |
138 kg R16 |
![]() |
| 2002 | Dripper |
joined the robot orchestra in 21.10.2002, premiered at the Krakow Audio Art Festival November 2nd, 2002. Revised 03.2005. |
programmable dripping machine (12 drips) Expanded to 24 drips in 2005 |
11 kg R17 |
![]() |
| 2003 | Tubi | joined the robot orchestra in 07.05.2003. Premiered at the M&M concert in Ghent, Logos Tetrahedron on may 8th 2003. |
quartertone automated tubophone Equal 24 tone temperament. A=442Hz |
ca. 85kg R18 |
![]() |
| 2003 / 2007 |
|
joined the robot orchestra in august 2003. Revised august 2007. |
automated sousaphone, with extended microtonal possibilities. |
ca. 80 kg R19 |
![]() |
| 2003/ 2004 | <Puff> |
joined the robot orchestra in , april 2004 PIR movement sensors added in 2010. |
automated quartertone puff-organ. 24-tone equal temperament A-440Hz |
ca.250kg R20 |
![]() |
| 1999/2005 | Trump |
(1999-2004) joined the robot orchestra in july 2004. Pipe renovation: 09.2005 |
programmable barrelorgan module (trumpet register, with exponential horn) Equal temperament. A=440Hz |
160kg R21 |
![]() |
| 2004/2007 | <Hurdy> |
joined the robot orchestra in august 2004. Revized 2007. |
two stringed automated bass hurdy gurdy A=440Hz |
120kg R22 |
![]() |
|
2004 (V1) 2005 (V2) |
<Ake> |
(2003-2005) first version joined the robot orchestra in december 2004. second version august 2005 |
automated accordion |
65kg R23 |
![]() |
| 2004/2005 | <Llor> | joined the robot orchestra in january 2005 | stainless steel bells |
220kg R24 |
![]() |
| 2004/2016 | <pp2> |
our second and much improved player piano joined the robot orchestra in july 2005 fingers replaced 2006 revised 2016 |
with pedal module (joined the robot orchestra in september 2005) |
45kg pedal: 35kg R25 |
![]() |
| 2004/2005 | <Sire> |
joined the robot orchestra in 18.05.2005 |
24 programmable sirens (suspended or setup up in line, or spacial as 3 separate modules of 8 sirens each) |
35kg R26 |
![]() |
| 2005 | Nail violin | finished 04.2005 | made for Moniek Darge. Circular shape, hardened steel nails. | 1kg | stolen, 2006. |
| 2005 | <la Vacca> |
joined the robot orchestra on 12.06.2005
|
48 automated cowbells |
150kg R27 |
![]() |
| 2005-2006 | <Krum> | joined the robot orchestra in february 2006 |
an automated Krummhorn organ register, 56 pipes. Equal temperament, A=440Hz Notes 36-91 |
120kg R28 |
![]() |
| 2004/2006 | <Psch> | joined the robot orchestra in february 2006 | an automated collection of vibrating stainless steel sheets |
9kg R29 |
![]() |
| 2006 | <Snar> | joined the robot orchestra in may 2006 | an automated full featured snare drum |
12kg R30 |
![]() |
| 2005/2006 | joined the robot orchestra in april 2006. | 36 automated cowbells |
93 kg R31 |
![]() |
|
| 2005/2010 | <Bono> |
joined the robot orchestra in december 2008 revized 2010 |
an automated rotary valve trombone equal temperament A=440Hz, with microtonal possibilities. |
35kg R32 |
![]() |
| 2004/2008 | <Qt> |
A collaborative project with Hogent, department of music and drama. joined the robot orchestra in june 2008 |
quartertone pipe organ with closed flue pipes - 6 octaves Equal 24 tones temperament A=440Hz |
226kg R33 |
![]() |
| 2006/2008 | <Bako> |
joined the robot orchestra in february.2008
|
an automated bass accordion with bellows Equal temperament A=440Hz |
40kg R34 |
![]() |
| 2007 | <Xy> | joined the robot orchestra in april 2007 |
an automated quartertone xylophone Equal temperament A=442Hz |
65kg R35 |
![]() |
| 2007 | <Casta Due> | joined the robot orchestra in may 2007 | an automated set of 16 castanets |
9.2kg R36 |
![]() |
| 2007/2010 | <Simba> | joined the robot orchestra in july 2007 | automated cymbals |
70kg R37 |
![]() |
| 2007 | <HY1> | finished october 2007 | hybrid sonar and radar sensor | 2kg | |
| 2007 | <Axe3> | finished november 2007 | acceleration sensing devices | 500g | |
| 2007 | <Pir2> | finished december 2007 | pyrodetecting body sensor with midi output | 250g | |
| 2007/2010 | <Aeio> | joined the robot orchestra in 2010 | an automated aeolian cello |
100kg R38 |
![]() |
| 2007 | <Handy One> | finished december 2007 | octal pressure pad midi controller | 300g | ![]() |
| 2007/2008 | <Heli> | joined the robot orchestra in december 2008 | an automated helicon |
53 kg R39 |
![]() |
| 2008/2010 | <Korn> |
joined the robot orchestra in december 2008 <Korn> was awarded the public prize at the ArtBot 2011 robot talent show organised by TimeLab. |
an moving automated Bb cornet |
8kg R40 |
![]() |
| 2008 | <Toypi> | joined the robot orchestra in august 2008 | robotic 3 octave toy piano |
10kg R41 |
![]() |
| 2008/2010 | <Ob> |
joined the robotorchestra in 2009 |
automated oboe, with movement | R42 | ![]() |
| 2009 | <Hat> |
hardware finished 31.09.2009 delivered: december 2009 |
hit-anything robot designed and build for Aphex Twin
|
94 kg R43 |
![]() |
| 2009/2010 | <harmO> | joined the robot orchestra in february 2010 |
a 9 register reed organ 6-0ctave ambitus. |
115 kg R44 |
|
| 2009/2010 | <Bomi> | joined the robot orchestra in august 2010 |
an automated wood-pipe organ with individual note expression control. 3-octaves |
50 kg R45 |
![]() |
| 2010 | <ii2010> | invisible instrument, analog FM frontend | doppler sonar and radar based | 2 kg | |
| 2011 | <Fa> |
joined the robot orchestra in may 2011 Version 1.2: october 2012 |
an automated bassoon with extended possibilities, including movement. |
45 kg R46 |
|
| 2011 | <Spiro> | joined the robot orchestra in august 2011 | an automated spinet |
60kg R47 |
![]() |
| 2011/2012 | <Synchrochord> | under revision now | a fretted monochord |
70kg R48 |
|
| 2012 | Unter Strom Harp | Harp with five 6 m long strings for the performance of 'Unter Strom' by Mauricio Kagel |
this is not a robotic instrument. Made to the order of the Orpheus Institute |
60 kg | |
| 2012 | <Klar> | Operational since september 2012. | an automated alto Eb clarinet with extended possibilities including microtonality and movement. |
59 kg R49 |
|
| 2012 | Radial Blower | build for the performance of 'Unter Strom' by Mauricio Kagel |
3 phase motor with controller and balanced radial blade fan Made to the order of the Orpheus Institute |
8 kg | |
| 2012 | Windmill | build for the performance of 'Taktil' by Mauricio Kagel |
propellor with 1280mm diameter, driven with a handcrank. With wind machine, drum and canvas. Made to the order of the Orpheus Institute |
120 kg | |
| 2013 | <Temblo> | an automated set of twelve chinese temple blocks |
32kg R50 |
||
| 2013 | <Saf> | a safety power supply unit for the entire robot orchestra |
Not an instrument in itself. 3 kW |
40kg | |
| 2013 | <Horny> | an automated microtonal french horn | 650mmx 650mm, height 700mm |
35kg R51 |
|
| 2013 | <Asa> |
an automated alto saxophone |
has left-right and forward-backward movement |
30 kg R52 |
|
| 2013 / 2016 | <Whisper> | an experimental instrument using cavity resonators |
25 kg R53 |
||
| 2014 | <Rodo> | struck bronze rods with dampers and electromagnetic drive mechanism to make it sing | 31 bronze tone rods |
80 kg R54 |
|
| 2014 | <Snar2> | automated snare drum | commisioned by Aphex Twin |
25 kg R55 |
|
| 2014 | <Display> |
universal midi controlled 4-digit displays (two copies made) |
500 g R56-R57 |
||
| 2014 | <Hybr> | a membrane driven pipe organ | with full microtonal possibilities. Made from PVC pipe. |
65 kg R58 |
|
| 2015 | <HybrHi> | a discant for <Hybr>, membrane driven pipes | with full microtonal possibilities, made from PVC pipe. |
21 kg R59 |
|
| 2014-2026 | <Zi> |
an automated plucked zither based on the Qanun. Under construction |
Designed on request from De Centrale. Postponed due to unsurmountable problems as well as lack of subsidy. |
R60 | |
| 2014-2015 | <Propeller 1> | small airplane propeller for the performance of Ballet Mecanique by George Antheil. | Made on request for Ictus ensemble |
45 kg R61 |
|
| 2015 | <Propeller 2> | large airplane propeller for the performance of Ballet Mecanique by George Antheil. | Made on request for Ictus ensemble | R62 | |
| 2015 | <Propeller 3> | large airplane propeller for the performance of Ballet Mecanique by George Antheil. | Made on request for Ictus ensemble | R63 | |
| 2015 | <Bello> | industrial bells for the performance of Ballet Mecanique by Georges Antheil | Made on request for Ictus ensemble | R64 | |
| 2015/2019 | <Balsi>: Balmec-Siren |
motorized computer controlled sirens, a motorized bell and alarm horns. |
Used for the performance of George Antheil's Ballet Mechanique. Part of the robot orchestra since january 2019. |
R65 | |
| 2015 | <PVC-Project> | a mobile environment of PVC instruments |
Made on request for Musica vzw. Takes ca. 20 square meters. Collaborator: Mattias Parent |
sold | |
| 2015 | Howling Hometrainers | 12 prepared hometrainers, modelled after our singing bicycle project. |
Collaborators: Laura Maes and Mattias Parent Made on request for Zonzo Company |
||
| 2014-2023 | <Rumo> | A large futurist automated noise maker robot |
Finished end 2023.
|
R66 | |
| 2015 | <Tinti> |
38 tiny high pitched bells robot with ultrasonic demodulation features
|
23 kg R67 |
||
| 2015 | US-SPL meter | sound pressure level meter for ultrasound | webpage on this measurement tool |
1 kg improved version made 2019 |
|
| 2015 | Talking Flame 3 | a new version of our Talking Flames project, using plasma speaker technology | Talking Flames | 2 kg | |
| 2016 | <Chi> | Bronze orchestral chimes with extended ultrasonic demodulation features |
40 kg R68 |
||
| 2016 | Audio Chopper | analog legacy audio chopper circuit for line level audio input signals | commisioned by the Orpheus Institute, Hipex research group. | 120 g | |
| 2016 | Mirrored-X | microprocessor based real time midi-invertor | 60 g | ||
| 2016 | 3-channel midi synth | 16-bit 3-channel synthesizer | PCB | ||
| 2016 | <HybrLo> | subbass membrane driven hybrid organ | four octaves |
80 kg R69 |
|
| 2016/2017 | <Bug> | a robotic flugelhorn, with 2-axis movement and microtonality. | commisioned by LOD for the 'Helden' production with Josse De Pauw. |
33 kg R70 |
|
| 2017 | Spikes |
> 200 small autonomous circuits producing acoustic spikes Solar energy powered |
made for an audio art installation project by Laura Maes for Dartmouth College (USA) Sold. |
||
| 2017 | <Pi> |
a really portable extreme high pitched electromechanical organ |
3 1/2 octave ambitus. |
1.7 kg w= 370 mm, d= 70 mm, h = 306 mm R71 |
|
| 2018 | Trilplaat | an audio art project using a ripple tank for audio display | made on request for Musica and Concertgebouw Brugge |
20 kg 1000 x 1000 x 250 mm Transducer redesigned 2019. |
|
| 2018 | <Pos> |
a small automated full range pipe organ |
5-octave ambitus |
1200 x 2000 x 350 mm R72 |
|
| 2018 | 'Singing Fence' | a public space monument commissioned by Frederik Van Simaey |
tubular bell installation Permanent installation in the city of Kortrijk. |
6000 x 2013 x 30 mm | |
| 2018 | <Per> |
a suspended automated drumkit with small propellers |
bass drum, hihat, 5 small drums, cymbals, tambourine |
1500 x 70 x 35 R73 |
|
| 2018 | <2Pi> | a serinette miniature organ with membrane driven pipes |
2 1/2 octaves ambitus can operate as a stand-alone robot. |
1.4 kg R74 |
|
| 2018 | <Ribby> | under research | a ribbon string instrument | postponed: lack of subsidy | |
| 2004/2018 | <Raspa> | projected for late fall 2021. Designed 11/2003 | automated precision ratchet | postponed: lack of subsidy | |
| 2005/2018 | <Klaks> | in preparation 2008/2021 | programmable compressed air car horn organ | postponed: lack of subsidy | |
| 2019 | Plus-Minus |
an interactive stand-alone audio installation |
uses analog electronics only (18 ringmodulators and 54 compressor circuits), three channel output. Collaborators:
|
||
| 2019 | Ultrasonic Sound Pressure Meter | laboratory tool |
frequency range: 20kHz-100kHz SPL range: 55dB SPL - 124dB SPL (ref. 20uPa) precision: 3dB |
3 copies made. 2 sold. | |
| 2019 | Piezo preamps |
universal high sensitivity piezo preamp Fully configurable |
1/4" jack in- and output connectors 9V battery operated |
6 copies made | |
| 2019 | Kybernos | a very large and sturdy force-feedback controller for musical robots | under construction | postponed due to lack of subsidy | |
| 2019 | Blitze und Donner |
an interactive audio installation [under consideration] [can only be realized if we get a subsidy] |
using very high voltage sparks exciting strings and automated radar controlled thundersheets | postponed due to lack of subsidy | |
| 2007-2021 | <RorO> | mobile pipe organ | 6-octave mobile barrelorgan with registers |
R75 145 kg
construction delayed up to 07.2021 due to lack of subsidy. Finished july 2021. |
|
| 2019 | <Tubo> | aluminum tubular bells with dampers and moving resonators | Has radar sensors for stand-alone interactive operation. |
R76 228 kg |
|
| 2020 | <Flut> | an automated flute |
extended and with microtonal possibilities |
R77 20kg |
|
| 2020-2021 | <Hunt> | an automated hunting horn | with special attention to the implementation of a weath of different tunings. | R78 | |
| 2021 | <Trumpeter> | an automated trumpet |
made to the order of Alain Van Zeveren extended and with microtonal possibilities finished june 2021 |
R79 17 kg (without stand) |
|
| 2021-2025 | <Sper> | an automated Sperrhake spinet | finished 2025 | R80 | |
| 2021-2024 | <Pianet> | an automated Hohner pianet |
made to the order of Alain Van Zeveren finished 2024 |
R81 | |
| 2021 | <Cornalto> | an automated Eb alto saxhorn |
made to the order of Alain Van Zeveren extended and with microtonal possibilities finished october 2021 |
20kg height: 920 mm width: 500 mm length = 380 mm
R82 |
|
| 2021-2023 | <Shak> | automated maracas |
made to the order of Stef Kamil Carlens
|
R83 | |
| 2022 | <Steely> |
automated small steeldrum with build-in radar interface |
finished january 2022 |
R84
|
|
| 2022 | <3Pi> | robotic membrane driven pipe organ, regal | finished march 2022 |
R85 heigth: 440 width: 340 depth: 100 weigth: ca. 4 kg |
|
| 2022 | <4Pi> | robotic membrane driven pipe organ, regal 5 1/2 octaves. | finished may 2022 |
R86 heigth: 900 mm width: 920 mm depth: 100 mm weight: 13kg |
|
| 2023 | <Arduino Bots> | a robotic project for schools and workshops | january-february 2023 | PCB's to accomodate 3 different Arduino models (Uno, Nano and MKR) | |
| 2023 | <Kazumi> |
an automated kazoo playing robot Has a radar gesture sensor for autonomous operation |
finished april 2023 | R87 | |
| 2024 | <Teno> | an automated Charles Mahillon Bb tenor saxhorn. | finished march 2024 |
R88 heigth: 1000 mm width: 620 mm depth: 350 mm weight: 45 kg |
|
| 2024 | <Cemba> |
an automated Italian-style Zuckermann harpsichord With automated registers |
made to the order of Marc Sinan finished august 2024 |
R89 | |
| 2025 | <Reco> <RaspA> | automated long guiro 1 | R90 | ||
| 2025 | <Reco> <RaspE> | automated long guiro 2 | R91 | ||
| 2025 | <Reco> <RaspI> | automated long guiro 3 | R92 | ||
| 2025 | <Reco> <RaspO> | automated long guiro 4 | R93 | ||
| 2025 | <Ubu> | automated pressure-wind bass reed organ | finished november 2025 | R94 | |
| 2025 | <Zibalo> | automated hammered Zither | finished december 2025 | R95 | |
| 2026 | <Zip> | automated assembly of 38 springs | in the works, to be finished february 2026 | R96 | ![]() |
Automats & Robots: Soundsculpture
[a more systematic catalogue is available by clicking this link] [een meer overzichtelijke katalogus is beschikbaar via deze link]
We offer many different and spectacular full evening concert programs featuring these automated instruments alone, in different combinations, as well as in combination with musicians and dancers (Logos Robot Orchestra). Many robots and automated instruments can also be presented as an interactive audio art installation. Concert organizers, feel free to enquire!
Contact adress:
- dr.Godfried-Willem RAES
- p/a LOGOS FOUNDATION
- Kongostraat 35 (Concert Hall entrance: Bomastraat 24-26-28)
- B-9000 GENT
- Flanders
- tel.: [32]-9-223.80.89
- email: GodfriedWillem.Raes@logosfoundation.org
Last updated: 2026-01-28 by Em.prof.dr.Godfried-Willem Raes