|
Cowbell Robot
|
|

<Vitello>
dr.Godfried-Willem
RAES
2005 /
2006
|
<Vitello>
The <Vitello> robot is the calf of our <Vacca>
robot, and was consequently designed in a very similar way. It automates
the playing of 36 cow bells, ranging in size between 39cm and 5cm in width.
<Vacca> has 48 bells. The bells in this robot are struck with wooden balls
and/or hardened felt covered piano hammers driven by solenoids. The original
iron or brass clappers were removed from all the bells. The assortment of bells
we have collected over many years, and in the last weeks before the start of
the construction also acquired through eBay and donated by friends, allowed
us to build this automaton as a genuine microtonal instrument. However, microtonality
is not consistent over the entire ambitus of the instrument. The exact tuning
of each bell has been measured and a database is available. The cowbells used
are of four basically different types: the 'classical' Swiss type ('Almglocken'),
the Austrian type (more spherical in shape and commonly described as 'Froschmaul'
in german), the more or less cylindrical bells, often called goatbells (a linear
rounded rectangular cone) and the heavy cast brass long sounding Swiss bells.
The last type was not represented in <Vacca> but in <Vitello> we
have nine such bells.
- Design & construction: Dr.Godfried-Willem Raes
- PIC microcoding: Johannes Taelman
- Collaborators: Moniek Darge, Kristof Lauwers, Sebastian Bradt, Bert Vandekerckhove,
Xavier Verhelst
- Bell donators: Thomas Smetryns, Emanuel Dumoulin, Kris De Baerdemacker,
Els Roosens(+), Sebastian Bradt, Moniek Darge, Peter Jacquemyn
Midi Mapping:
- midi note on + velo, listening to channel 4 (same channel as Vacca) . Note
off not required.
- Program change 0, 122-127 select different velocity lookup tables. The velocity
scaling lookup tables can be programmed using sysex commands. 0 is the original,
non-reprogrammable mapping. It is recommended to allways use 122, which contains
an optimised mapping.
- Controller 66 is implemented to serve as a power on/off switch. It steers
a relay switching the high voltage (90 V) for the hammers.
- Using the MidiPlayer that is part of our <GMT> software, Vacca as
well as Vitello can operate in two modes, toggled by controller 72.
- If controller 72 is set to 0, midi notes 48 to 95 are mapped to a bell each
on <Vacca> and midi notes 44 to 47 and 96 to
128 to each bell on <Vitello>, but with a pitch not corresponding to
the midinote. Check the table on the bottom of this page
for the exact pitches.
- If controller 72 is set to a value higher then zero, an 'intelligent' mapping
is applied: the software tries to find a bell that has a pitch aproximating
the correct pitch of the given midi notes. If this bell is found it is played,
otherwise nothing is played. The value of controller 72 determines how much,
expressed in cents, the pitch may deviate. Note that if you put this value
too low, very few notes will result in a sounding bell. Check the table
on the bottom of this page to see which pitches are available.
- The lights can be switched using note on/off commands for notes 12 to 18.
The details are:
- note 12 = frontal RED led spotlite
- note 13 = two round red lites on the frontal sides of
the frame
- note 14 = two round red lites on the backsides of the
frame
- note 15 = yellow LED spotlite oriented backwards
- note 16 = yellow LED spotlite oriented to the front
- note 17 = yellow LED spotlite on the back , left side
- note 18 = yellow LED spotlite on the back, right side

Technical specifications:
- power: 230 V - 240 Watt (peak)
- Size: (estimated) 1500 x 400 x1200 mm
- Weigth: 93 kg
- cost in production (insurance value): 12.000 €.
Pictures taken during construction:

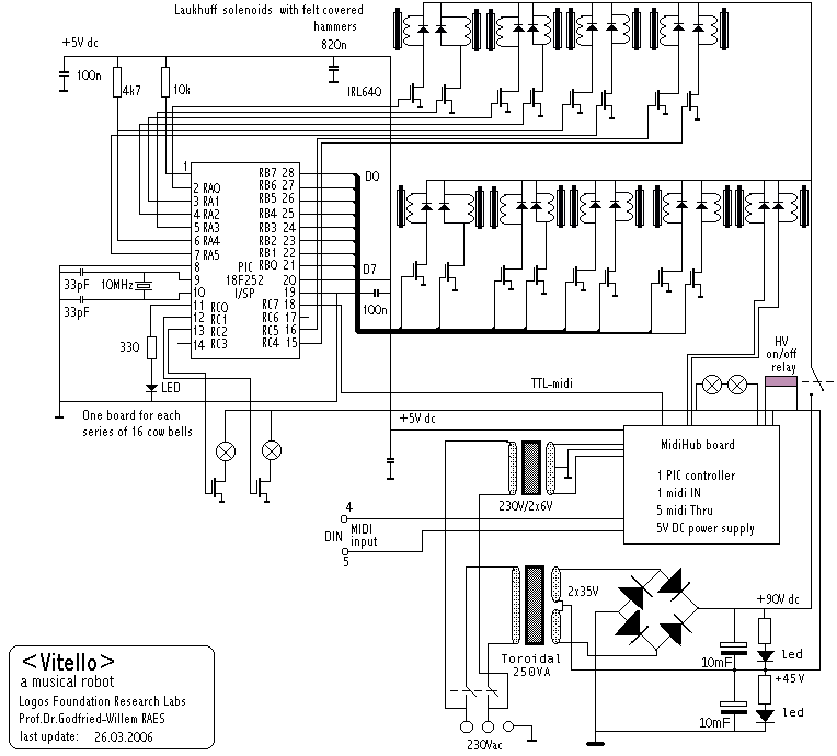
Circuitry:

Overview:

Compositions for <Vitello>:
- Godfried-Willem Raes, 'Koetjes en Kalfjes' (2006), voor <Vacca> en
<Vitello>
- Godfried-Willem Raes, 'Picrada Study for Vitello' , voor een naakte uitvoerder
en radar interface
- Godfried-Willem Raes, 'GestroVitello', voor een naakte uitvoerder en onzichtbaar
instrument (kreatie 19.07.2006)
- Godfried-Willem Raes, 'Qua Vitello', Quadrada study #12, voor een naakte
uitvoerder en het quadrada interface.
- Kristof Lauwers, "Study #10 ", for <Vitello>
[MP3 download]
Robody picture with <Vitello>:

Nederlands:
<Vitello>

Nadat <Vacca> was afgewerkt hadden we nog een erg ruime verzameling koebellen
op overschot. Daarom besloten we de koe ook een kalfje te gunnen, waardoor <Vitello>,
italiaans voor kalf, ontstond. <Vitello> omvat 36 koebellen van vier verschillende
types, waaronder een type dat niet in <Vacca> is terug te vinden: de ronde
tamelijk zware gegoten messing of brons klokken zoals we die aantreffen in het
kanton Basel.
Het laswerk voor <Vitello>, helemaal in inox, was geen eenvoudige klus
vanwege de enorme diversiteit aan afmetingen, vormverhoudingen en materiaalsamenstelling
van de zeer heterogene verzameling koebellen. Geen gewoon TIG seriewerk dus,
maar bel per bel afmeten, passen, positioneren, korrigeren , lassen...
De elektronische aansturing van deze verzameling leverde daareentegen geen
bijzondere problemen op. Voor de schakelingen verwijzen we naar de <Vacca>
pagina, want ze zijn principieel identiek. Ook het voedingsgedeelte (een 90V
voeding) is identisch op een punt na: voor de veiligheid bij elektrische storingen
is bij <Vitello> voorzien in een zwaar relais om de hoge 90V spanning
in te schakelen. Dit relais kan alleen bekrachtigd worden na ontvangst van midi
controller 66 door de PIC. Een verdere afwijking tegenover het ontwerp van <Vacca>
bestaat hierin dat we <Vitello> voorzagen van zeven lampjes (rode en gele
LED spots) die eveneens via midi kunnen worden geschakeld.

Midi Implementatie en Mapping:
- midi note on + velo, luistert naar kanaal 4. Geen note off nodig.
- De lampjes kunnen worden geschakeld via midi note on/off voor de noten 12
tot 18.
- Controllers:
- <Vitello> kan worden aan en uitgeschakeld via een midi controller:
controller 66: ON (>0) or OFF (=0). Middels deze kontroller moet Vitello
worden ingeschakeld om te kunnen spelen.
- Als de midifile vanuit onze <GMT> software afgespeeld wordt, kan Vitello
evenals Vacca in twee modi opereren, waartussen gekozen kan worden via controller
72:
- Als de waarde van controller 72 op 0 gezet wordt, worden midinoten 48 to
95 elk naar een bel vertaald op Vacca, terwijl 44-47 en 96-127 aan Vitello
zijn toegewezen, waarbij de toonhoogte niet overeenkomt met de noot! In deze
tabel vind je terug welke toonhoogte je dan wel krijgt.
Als controller 72 een waarde hoger dan nul heeft, wordt een 'intelligente'
mapping toegepast, waarbij de software een bel zoekt die wel de juiste toonhoogte
heeft. De waarde van de controller bepaalt hoeveel cent afwijking hierbij
toegestaan is. Als er geen passende bel gevonden wordt, wordt er dan ook niets
gespeeld!
Program Change is geimplementeerd en laat de gebruiker toe te kiezen uit
diverse scalings voor velocity. De gebruikte lookup tabellen kunnen voor elke
noot afzonderlijk geprogrammeerd worden via sysex kommandos..
Indien gekombineerd in een enkele track kunnen beide instrumenten, Vacca
en Vitello, samen als een enkel instrument worden behandeld aangezien ze eenzelfde
midi-kanaal delen.
Bellen in Vitello:
|
Bedradings nummer (doortellend vanaf Vacca)
49-64 = PIC board 4 - Vitelllo
- 65-80 = PIC board 5 - Vitello
|
Midi Note (absolute) |
toonhoogtes (pitches) (in midi) |
type bel |
bouwdiepte in mm / inklusief beugel |
breedte/hoogte |
breedte/hoogte
galmopening
|
gewicht / herkomst |
thumbnail picture |
| 49 |
96 |
50 |
Froschmaul |
330 |
365 / 230 |
235 / 170 |
gatenklok Peter Maier
achterste bel
|
 |
| 50 |
97 |
53 |
Froschmaul |
350 |
320 |
|
frontaal onderaan |
 |
| |
98 |
44 / 56 |
Tiroler |
175 |
180 |
123 / 90 |
Lokeren, MD 03/2006 |
 |
| 51 |
99 |
58 |
Froschmaul |
270/300 |
290 |
195 / 82 |
kopbel (geblutst) |
|
| 52 |
100 |
59.5 |
Froschmaul |
270/310 |
300 |
170/140 |
rommelmarkt gent |
 |
| 53 |
101 |
60 |
Tiroler |
215 |
220 |
180 / 125 |
Kupsch - frontaal midden |
 |
| |
102 |
60.5 |
Brons |
|
|
221 - rond |
Rally Cant. Fribau - S..A. Transport - 1994
M.Buegger - Villars s/Glane
|
 |
| 54 |
103 |
62 |
Zwitsers |
|
|
|
|
|
| 55 |
60 |
63 |
Froschmaul |
250 |
260 / 180 |
145 / 129 |
|
|
| |
105 |
63 |
Tiroler |
205 |
240 |
180 / 140 |
Lokeren, MD 03/2006 |
 |
| |
106 |
63.2 |
Brons |
|
|
172 - rond |
Albertano Freres Fonderie
Bulle - Suisse
|
 |
| |
107 |
65 |
Brons |
|
|
175 - rond |
Les Martinets - FC- Cottens - 1988
M.Buegger - Villars s/Glane
|
 |
| |
108 |
67 |
Froshmaul |
145/172 |
180 |
123 / 90 |
rommelmarkt Gent |
|
| |
109 |
68 |
LP |
|
|
|
|
|
| |
110 |
73 |
Brons |
|
|
146 - rond |
Zenith-Descombes 1987
Blondeau, La Chaux-De-Fonds
|
|
| |
111 |
|
Geitebel |
|
|
|
gift Emmanuel Dumoulin |
|
| |
112 |
75/76 |
Froschmaul |
115 |
135 |
87 / 63 |
|
|
| |
113 |
82.5 |
Tiroler |
|
|
|
blank ijzer
gift Kris De Baerdemacker
|
 |
| |
114 |
83 |
Brons |
|
|
90 - rond |
Lamastre |
|
| |
115 |
86 |
Zwitsers |
|
|
|
|
|
| |
116 |
|
Tiroler |
|
|
|
gift Kris De Baerdemacker |
|
| |
117 |
|
|
|
|
|
|
|
| |
118 |
|
Tiroler |
|
|
|
gift Kris de Baerdemacker |
|
| |
119 |
|
Zwitsers |
|
|
|
gift Peter Jacquemyn |
 |
| |
120 |
|
klok |
|
|
|
gift Emanuel Dumoulin |
|
| |
121 |
72 |
Geitebel |
|
|
|
Pakistaans |
 |
gekocht
in Lokeren door Moniek Darge.
Bouwdagboek:
- 15.10.2005: Systematisering verzameling koebellen voor <Vitello>
- 10.11.2005: aankoop wielen op rommelmarkt.. Oorsprong: oude kinderkoets.
- 12.11.2005: Ontwerp wielbasis. Kruisdissel.
- 02.01.2006: uitzoeken onderdelen voor voedingen.
- 29.01.2006: Konstruktie wielvorken uit gebogen inox 30 X 3. Boren asgaten.
(Assen 10mm inox, halfgetapte inbus bouten M10).
- 01.02.2006: zagen en boren wielverbindingsbalkjes uit inox 50x30x3 met centraal
asgat van 20mm.
- 03.02.2006: laswerk TIG wielvvorken
- 04.02.2006: zagen en uitboren basisplaat in inox 150 x 750 x 10. Bevestiging
op wielstel met 2 M20 inox bouten. Positioneren laagste reeks bellen en plaats
voor de besturingselektronika.
- 05.02.2006: Laswerk hoofdchassis bovenbouw. Montage frontbel en lebmaagbel.

- 17.02.2006: laswerk onderstel en kruisdisselbesturing. Stabilisatie wielen.
- 18.02.2006: afwerking kruisdissel. Montage leb-bel frontaal onderaan, op
inox draagplaat 100x30x8. Montage frontale hoekbellen (Froschmaul) en de erachter
liggende bellen. Montage hamer voor de frontale middenbel (Kupsch).
- 19.02.2006: Montage en afwerking klopmechanisme voor de 9 frontale bellen.
Kloppers gedraaid en gemonteerd, terugslag veer gemonteerd, trajektbegrenzings
mechaniek geplooid uit pianodraad. Pianohamers geprepareerd en gemonteerd
met MS polymeer.
- 23.02.2006: Konstruktie elektromagneten voor de dinner-chimes drieklank
bellen. Montage van pianohamers op elektromagneten voor bovenrij. Verwijdering
van nog overblijvende klepels uit de bellen.
- 25.02.2006: montagewerk F-major drieklank dinner-chimes aangedreven door
oude 48V relaisspoelen.
- 26.02.2006: Twee grote Froschmaul bellen gevonden op gentse rommelmarkt.
- 07.03.2006: Verder werk aan de dinner chimes assemblage.
- 08.03.2006: PIC kode voor PIC1 van Vitello.
- 09.03.2006: Konstruktie van de glasvezel/epoxy draagplaten voor de elektronische
schakelingen. Snijden inox L-profielen voor montage daarvan en vastlassen
op de bodemplaat. De vertikale drager bevat ook een zwaar 48V relais voor
de vertraagde inschakeling van de voedingsspanning. Dit relais moet worden
bestuurd met een midi kommando: controller 66, on/off.
- 16.03.2006: PIC kode voor PIC2 van vitello.
- 19.03.2006: Afwerking drieklank Fa - module. Laswerk drager elektromagneet
voor grote achterste bel.

- 23.03.2006: Assemblage en montage voedingsblok en midi-input bufferprint.
Optocoupler vervangen door 6N137, da's een faktor 5 sneller dan de 6N138.
- 25.03.2006: Laswerk en montage achterste 3 koebellen. Lassen dragers elektronika..
- 26.03.2006: Laswerk en montage klopper bronzen bel. Voorzien van licht,
12V halogeen spotje, geel. Veiligheids inschakelrelais bedraad en getest.
Start bedrading reeds gemonteerde bellen. Elektronische schemas aangepast.
- 27.03.2006: Moniek naar Lokeren: inkoop 6 middelgrote koebellen. Twee in
staal, vier in brons.
- 01.04.2006: Begin bedrading voorste reeks bellen.
- 04.04.2006: Test elektronische schakellingen.
- 05.04.2006: konstruktie hamer en draagbeugel voor de Peter Jacquemyn bel.
Bel meteen dichtgelast aan de zijkanten, gehard en opnieuw gestemd. Konstruktie
hamer en beugel voor twee 'lokerse' bellen.
- 06.04.2006: Konstruktie inox drager voor de grootste bronzen bellen (60.5,
63.2, 93). Vastlassen tiroler bel op buitenkant.
- 07.04.2006: Bedradingswerkzaamheden. Laswerk montage klokken op buitenring.
- 13.04.2006: Levering elektromagneten August Laukhuff.
- 14.04.2006: Montage kloppertjes onderste bronzen bellen. Eerste versie PIC3
firmware ontwikkeld met Johannes Taelman.
- 15.04.2006: Montage bronzen klokken op bovenrij.

- 16.04.2006: We bleken ons misteld te hebben: 1 bel tekort... dus lasten
we een tiroler bel (82.5) achteraan bij. Alle 32 bellen bedraad en funktioneel
nu. Elektrische tests o.k. Helaas vallen we zonder argon gas en dus kunnen
we niet verder lassen aan handvat en lichtjes... Rode lampjes in vierkante
inox buis achteraan gemonteerd. Vitello toegevoegd in GMT testkode.
- 17.04.2006: Konstruktie en montage twee gele 12V LED spots achter gatenklok.
Rode lampjes (24V) gemonteerd in vierkante inox buis aan de voorzijde. Terugslag
veren gemonteerd op pianohamermagneten. GMT kode aangepast aan Vitello. Positiebepaling
dinner chimes vierklank.
- 18.04.2006: midi mapping gedokumenteerd. Argon gas ingekocht. Laswerk montagesteun
voor de dinner chimes.. Deze kunnen losgenomen worden indien nodig voor onderhoud
van de hamers en kloppers van onderliggende bellen. (twee inox M6 inbus bouten).
Bedrading dinner chimes afgewerkt. Laswerk stuurstang, Konstruktie twee gele
LED spots te monteren onderaan op basisplaat.
- 19.04.2006: Houders gele LED spots vastgelast op onderplaat. Eerste test
onder software besturing...: ontploffing van de surge arrestors op de zware
Laukhuff magneten. Ze moeten verwijderd worden. Pic 1 moet grondig elektrisch
en softwarematig gedebugd worden... Pic 2 blijkt zich te gedragen zoals verwacht.
Nieuwe specifikatie voor Pic 3 doorgestuurd naar Johannes Taelman.
- 20.04.2006: verwijdering overspanningsbeveiligingen van traktuurmagneten.
- 21.04.2006: Kode voor besturing vanuit GMT.
- 22.04.2006: Nieuwe tests: Vitello werkt. Alleen PIC3 blijft nog te programmeren.
Afregeling hamertjes.

- 23.04.2006: <Vitello> gewogen: 93 kg. Belasting op de voorwielen:
58kg, op de achterwielen: 35kg..
- 24.04.2006: GMT kode voor Vitello. Bug ontdekt in de firmware voor PIC3:
dubbele mapping lampjes en relais. Een van de lampjes doet het relais afvallen....
Bij nader toezien, toch eerder bug in mijn gmt kode.
- 27.04.2006: (avant) premiere van <Vitello> : M&M koncert in de
Logos Tetraeder.
- 18.07.2006: afwerking kode voor GestroVitello: sonar invisible instrument
gestuurd.
- 19.07.2006: premiere van GestroVitello.
- 10.07.2006: Pic-specs voor hub board opnieuw opgesteld en bezorgd aan Johannes
Taelman, voor kode revizie en kompletering.
- 10.10.2006: PIC op midihub board opnieuw geprogrammeerd. De lampjes werken
nu allemaal evenals de 4 dinner chimes. Voor deze laatste is sysex programmeerbaarheid
van de velo-scaling geimplementeerd.
- 17.12.2006: Wiring bug pic pin 17 repaired on midi-hub board. Now we use
pic pin 16 for lites.
- 02.01.2008: Ontwikkeling van automatische klokselektiekode binnen de GMT
player door Kristof Lauwers.
- 27.12.2008: Hardware bug in de bedrading van de lampjes weggewerkt: overbodige
diodes verwijderd en isolatiemateriaal aangebracht tegen de koelvlakken van
de mosfets aangezien die kontakt maakten met de aansluitdraden van de 1W serieweerstanden
voor de 12 V lampjes. Nieuwe testkode geschreven in de GMT Vitello module.
De aansturing vanuit de pic blijkt toch niet te kloppen...
- 05.11.2013: Uit de ervaring met <Thunderwood> en <Vacca> blijkt
dat we bij de eerstvolgende revizie beter de voeding kunnen heropbouwen met
deugdelijke elko's. Voorzien in een gescheiden 12 V voeding voor de lampjes
zou ook een substantiele verbetering inhouden.
- 01.20.2020: <Vitello> gaat voor de eerste keer op reis: op naar Keulen
voor een koproduktie met Sebastian Gramms. De massief rubberbanden op de wielen
zijn stilaan aan vervanging toe: het rubber desintegreert en verbrokkelt stilaan.
- 01.07.2023: De aftakeling van de rubberbanden heeft een erg kritiek punt
bereikt. Ze kunnen het nu zowat elk moment helemaal begeven en uiteen vallen.
Hoe kunnen we dit herstellen? Wie kan dit herstellen?
- 14.09.2023: <Vacca> gaat samen met <Vitello> en zowat het hele
robotorkest naar de Deutsche Oper Berlin.
- 18.09.2023: <Vitello> is ondanks de verstorven banden heelhuids aangekomen
in Berlijn. Volgens een eerste rapport van Kristof Lauwers zouden vijf bellen
niet meer werken... We zoeken het uit.
- 02.10.2023: <Vitello> komt terug aan in Gent vanuit Berlijn. Afgezien
van enkele verbogen ophangbeugels van de bellen en diepe krassen in de frontbellen,
geen verdere beschadigingen. Werd <Vitello> wel goed vastgelegd?
- 05.01.2024: Hamer voor de voorste bel aan de linkerkant bleek afgebroken.
Nieuwe hamer gemaakt, nu met een onbreekbaar en wat elastisch nylon staafje
-diameter 6 mm- en de oorspronkelijk gebruikte pianohamer. Vastgezet met twee
M3 boutjes.
Last update: 2024-01-05 by Godfried-Willem Raes
Servicing and spare parts information:
<Vitello>:
Piano hammer and other beater solenoids: August Laukhuff, Weikersheim. Three
types are used:
- Katalog nr. 300110, Nominal voltage (100% duty cycle) 24V - 140 Ohm (171mA),
without varistors and wires. Pulling force at lowest drilled whole in anchor:
9.8N for a displacement of 2.5mm, at highest whole 4.9N for a displacement
of 5mm.
- Katalog nr. 300810. Nominal voltage (100% duty cycle): 24V, 410mA. Resistance:
59 Ohm. Force: 10N. Displacement: 10mm. This solenoid type is used for the
heavier bells. (Trakturmagnet)
- Katalog nr. 300910, Nominal voltage (100% duty cycle) 24V - 96 Ohm, tonventilmagnet
All solenoids run from an unstabilized 90V DC supply, so 3.75 times their rated
voltage. Duty cycle should be kept to less then 10%. Surge arrestors / overvoltage
protectors -if fitted- have to be removed from all solenoids!
PIC code: PIC1 en 2: 18F252-I/SP, PIC3: 18F2525-I/SP
- source files: vitello1.asm, vitello1.lut, vitello1.mcp, vitello1.mcs
- hex dump file: vitello1.hex
- source files: vitello2.asm, vitello2.lut, vitello2.mcp, vitello2.mcs
- hex dump file: vitello2.hex
- PIC3: 18F2525 - op midi hub board
Connector wiring on PIC3 board (midihub):

Power supply : Goldline module (toroidal transformer), APS204, 225 W, 2x45
V. Fuses: secondary: 2 x 7.5 A