|
<Steely>
|
|

a small robotic steeldrum
Godfried-Willem
RAES
2021-2022
|
In our instrument collection at the Logos Foundation, we had a small steeldrum
since a very long time. It used to be a part of my setup as a percussionist
in the Logos group since the late sixties of last century. It's an eigth notes
pentatonic instrument tuned to A.
With
it's eight notes, it looked like a quite easy undertaking to get it automated.
However there are a few
pittfalls and specific problems to cope with. The very first experiments we
performed revealed that clamping the instrument rigidly to a structure is detrimental
to the sound and its resonance. The instrument as a whole must be left free
to resonate! Thus we had to design a way of suspending the steeldrum freely.
We used two suspension points and two soft neoprene shock absorbers with 6 mm
threads:
For a good sound, it is fundamental to use the right material for the beaters:
soft rubber seems to work best here. We used small Chinese made solenoids (Banggood)
to drive the beaters and welded adjustable holders for mounting them:
.
As soon as I released the first details of this robot in the making on the
internet, I got reactions from people with regard to the name 'Steely'. Dennis
Bathory-Kitz suggested 'Dan ' as a better name for it. I had to lookup what
he could have meant here as I had no clue... Wikipedia revealed Dan Steely must
once have been an obscure although pretty well known pop group. That explains
why I missed the reference, popmusic being completely absent from my personal
musical backgrounds... But also, as I got to learn, it is the name of a giant
dildo appearing in William S. Burroughs 'Naked Lunch'...
In the firmware for the PIC microcontroller steering this robot, we implemented
not only the usual velocity sensitivity, but also automatic note repetitions
using the key-pressure command. A pretty new feature in this robot is its inherent
protection against note overloads that could challenge the duty cycle limits
for the solenoids used. To achieve this, we implemented a death-time after each
pulse. Note-on commands received during this time interval will be neglected
by the robot. Note that the death time increases with increasing velocities.
The circuit uses L298N standard bridge drivers, here merely used as switches.
Due to this, the solenoids could be connected between ground and chip output.
Circuit Overview:
There is no power-on
relay in this circuit as we use the enable inputs on the bridge chips as power
on/off switches.
This little robot can be used fully stand-alone, as an interactive, gesture
controlled, sound sculpture. This was achieved by designing a radar based data
acquisition system for gesture recognition. This
system is described here. For stand-alone operation, a short patch cable
has to be connected between the radar sensor and the MIDI input of the robot.
This connection has to be established before power-up of the robot.
In 2025 we added a temperature sensor on the bridge driver chips. Whenever these
chips get too hot (>70 degrees Celsius) this temperature switch will turn
off the solenoid power. Power will be restaured automatically as soon as the
temperature of the chips cooled down to ca. 50 degrees Celsius.
This is an overview over the circuitry: 
Midi implementation:

- note-off, release not implemented
- note-on, velocity implemented
- key-pressure implemented (for note repetitions)
- controllers:
- controller #30: set repetition speed for all notes. Value 0 cancels
all repetitions
- controller #66: power on/off
- controller #69: Lights automation on or off. By default this is ON.
- controller #123: all notes off
- channel aftertouch: not implemented
- pitch bend: not implemented
- Midi channel: 7 (0ffset 0), cannot be changed.
Lights:
- Notes 120 and 121 are tubular tungsten lightbulbs mounted left and right
below the grip. These are 24V bulbs
- Note 122: steers the assemblies of white LED's on the chassis. There are
3 modules, each 12V, connected in series.
Technical specifications:
- size: 400 x 400 x 400 mm
- weight:
- power: 230V ac
- midi channel: 7 (offset 0)
- radar sensor: 24 GHz, Power 16 dBm (RSM1700)
- Insurance value: 2800 Euro.
Design and construction: dr.Godfried-Willem
Raes (2021-2022)
Collaborators on the construction of this robot:
- Philippe Druez
- Johannes Taelman (PCB, 2005)
Music composed for this robotic instrument:
Godfried-Willem Raes 'Pentademon' for steely.(2022) [embedded 6 little pieces]
Godfried-Willem Raes 'Magische Vierkanten: #3' (2025)
Kristof Lauwers 'in the making' (2022)
Nederlands:
<Steely>
De geschiedenis van de steel-drum is verweven met koloniaal imperialisme, slavenhandel
en kristelijk religieuze repressie: het instrument ontstond immers uit de repressie
van de uitbundige carnavalvieringen die in Trinidad sinds ca.1860 tot een groot
volksfeest waren uitgegroeid en waarbij de kristelijke onderdrukkers de plaatselijke
tamboo-bamboo bands verboden en de instrumenten in beslag namen. Die bands waren
op zich al een substituut voor de oorspronkelijke tribale Afrikaanse trommen
die tot de kultuur van de geimporteerde slaven behoorden en die vanaf 1884 streng
verboden werden. Na verschillende aanvallen van westers imperialisme, bleef
de bevolking achter met de lege olievaten van de westerlingen op hun stranden.
Industrieel afval dus. Die olievaten werden gebruikt als grondstof voor de vervaardiging
van de steel-drums in de Caraiben sedert 1930-1940. De steel drum is sedert
zijn ontstaan de karnavalvieringen ontgroeid en leidde tot het ontstaan van
redelijk grote ensembles, de steel-bands die ook vandaag nog bestaan en populair
zijn. Enkele ervan zijn gevestigd in Nederland en in het Verenigd Koninkrijk,
de koloniserende mogendheden van toen. De steel-drums die in die ensembles worden
gebruikt omvatten een hele familie instrumenten, van sopraan tot tenor en bas.
Hoewel chromatisch gestemde sopraan instrumenten wel voorkomen, zijn de bands
evenwel duidelijk diatonisch (pentatonisch zelfs veeleer...) georienteerd. De
bas instrumenten hebben dan ook vaak slechts twee of hooguit drie tonen.
Een kleine steeldrum maakte al sedert de vroege jaren zeventig
deel uit van mijn slagwerkinstrumentarium in de Logos groep. In de jaren '80
raakte mijn slagwerkinstrumentarium evenwel meer en meer aan de kant geschoven
ten bate van enerzijds de klarinet en anderzijds mijn eigen zelfontworpen elektronika.
Na zodoende ettelijke decennia opgeborgen te zijn geweest, prikkelde het instrumentje
opnieuw mijn aandacht in de door corona virussen geteisterde en daardoor van
publieke aktiviteiten gespeende eindejaarsperiode van 2021. We vatten het idee
op om er toch een automaatje van te maken.
Op
het eerste gezicht leek dit een eerder rechttoe- rechtaan onderneming van beperkte
omvang te worden, maar vanzodra we de eerste proefopstellingen uitvoerden bleek
dat toch wat kort door de bocht. Eerst en vooral bleek het niet mogelijk de
steeldrum zelf in een rigiede gelaste struktuur vast te klemmen zonder daarbij
de hele resonantie van het instrument in het gedrang te brengen. Een vrije en
elastische ophanging bleek dus een absolute voorwaarde voor een goed resultaat.
Vandaar dus de ophanging van de steeldrum met twee M6 schokdempers in zacht
neopreen.
Maar ook het aanslaan van de acht gestemde vlakjes in de kuip van het instrument
was minder eenvoudig dan aanvankelijk gedacht. De kuipvorm van het instrument
dikteert een voor elk toonvlak andere aanslaghoek tegenover de basisplaat waardoor
plaatsing van de elektromagneten op een vlakke cirkelvormige drager geen goed
resultaat kon opleveren. Elke elektromagneet moest dan ook op een eigen onafhankelijk
afregelbare drager gemonteerd worden. Vandaar onze montage op M10 draadstangen
met aangelaste montageplaatjes voor de elektromagneten.
Het materiaal waarmee de toonvlakken aangeslagen moeten worden
is van groot belang voor het verkrijgen van een goede klank. Te harde kloppertjes
leiden tot een lelijk en metaliek geluid en heel wat experimenten waren nodig
vooraleer we tot een aanvaardbaar resultaat konden komen. Wat het aanslaan zelf
betreft stonden we voor de keuze om ofwel aan te slaan bovenaan, dus zoals een
bespeler dat zou doen, ofwel. van onderuit. Die laatste mogelijkheid is technisch
gesproken superieur omdat we dan de zwaartekracht kunnen gebruik om de kloppertjes
te laten terugvallen. Daar staat echter tegenover dat zulke montage het speelmechanisme
van het geautomatiseerde instrument geheel zou verbergen waardoor de verleidingskracht
van het instrument zeer zeker zou worden verminderd. Dus toch maar geopteerd
voor een zichtbare bovenop montage en de daardoor noodzakelijke toepassing van
terugslagveren om de kloppertjes te laten terugkeren naar hun hangende rusttoestand.
Om de prijs zoveel mogelijk te drukken -we moeten immers al jaren
zien te overleven zonder enige subsidie- opteerden we voor het gebruik van goedkope
Chinese Banggood elektromagneetjes. Volgens het label op de spoeltjes zouden
het 12V exemplaren moeten zijn die een stroom trekken van 300 mA en daarbij
een kracht opleveren van 5 N bij een trajekt van 10 mm...
Daarvan bleek evenwel een en ander helemaal niet te kloppen. Bij 12 V trekken
ze een stroom van 1 A en bij een stroom van 300 mA staat er een spanning over
van 4.2 V. Hun koude DC weerstand is ca. 12.3 Ohm. Na wat experimenteren en
meten, besloten we ze te gebruiken met een spanning van 24 tot 33 V met een
duty cycle van minder dan 10% en pulsduren van hooguit enkele millisekonden.
Aangezien we nog enkele PIC-processor boards op voorraad hadden van het type
ontworpen en gebruikt voor onze <Sire>-robot en omdat deze acht spoelen
kunnen aansturen, leek dat een goede oplossing. Op dit board worden geen MOSFET's
gebruikt maar wel vier brug-drivers van het populaire type L298N. Dit is het
schema: 
De enable ingangen op de brugdrivers gebruikten we als power-on
switch, bestuurd met midi controller 66. De drie MOSFET's op de print worden
hier gebruikt voor het besturen van de lampjes. Twee buisvormige 24V gloeidraadlampes
werden onderaan de bovenste dwarsversterking met het handvat gemonteerd. Deze
lampjes worden automatisch geschakeld in funktie van de aktieve kloppertjes,
zolang controller 69 geset blijft. Een derde lichtbron werd op het onderchassis
aangebracht en bestaat uit drie witte LED modules met een 12V werkspanning.
Deze modules zijn in serie geschakeld en gemapt op midi noot 122.
Dit is het overzicht over het geheel van de schakelingen: 
In 2025 brachten we een thermische beveiliging aan voor de brugdrivers,
nadat ze de geest gaven op een tentoonstelling in Sint-Truiden met als gevolg
het uitbranden van alle elektromagneten. Wanneer in de huidige versie de temperatuur
op de koelvin van de brugdrivers de grens van 70 graden te boven gaat, wordt
de stroomtoevoer naar de elektromagneten afgesneden. Die stroom wordt automatisch
weer ingeschakeld wanneer de temperatuur voldoende is gezakt.
Building logbook / Bouwdagboek:
Omdat ons vaak wordt gevraagd hoeveel werk en tijd kruipt in,
en nodig is voor, het bouwen van dergelijke muzikale robotten, houden we ook
voor <Steely> een beknopt en geilllustreerd bouwdagboek bij:
- 26.12.2021: Eerste stappen in de konstruktie: samenbrengen van geschikte
onderdelen en materialen. ontwerpideen en bouwvereisten opgesteld. De kleine
Banggood elektromagneten zouden hier een toepassing kunnen vinden. Volgens
het label zijn het 12 V magneten en zouden ze een stroom trekken van 300 mA.
De kracht, volgens het label, is 5 N. Maar, al bij de eerste elektrische tests
blijken ze bij 12 V bijna 1 A te trekken... Wanneer we er een stroom van 300
mA doorheen laten vloeien, staat er een spanning over van 4.2 V.

- 27.12.2021: Elastische ophanging van de steeldrum zelf blijkt essentieel
voor een goede klank. Begin konstruktie van de basisplaat en van de eerste
kloppertjes.
- 28.12.2021: Instelbare houders voor de klopperjes gelast en gemonteerd.
- 29.12.2021: Alle houders voor de kloppertjes zijn nu gelast:
Meteen ook aan aansluitmodule gemaakt voor de netstroom aansluiting met zekering
en IEC konnektor evenals twee MIDI- konnektors met degelijke DIN chassisdelen.
(Preh).
- 30.12.2021: Eerste montage van de kloppertjes op de basisplaat. Bouw van
een geschikte analoge voeding. Hiervoor kunnen we een oude halogeen verlichtingstransformator
(22V - 100VA) gebruiken. Stabilisatie is onnodig voor dit instrument. We moeten
er echter wel op bedacht zijn dat de piekstroom tot 16 A kan oplopen. Een
hele dikke bufferelko (47 mF / 40 V ) lijkt dus wel aangewezen.

- 31.12.2021: Bedrading van de kloppertjes en de konnektors voor het PCB.
- 01.01.2022: Versie 1.0 van de firmware voor de PIC microcontroller geschreven
en getest
- 02.01.2022: Implementatie van <Steely> als robot in het robotorkest
binnen GMT. Redaktie van de noodzakelijke testkode.
- 03.01.2022: Ontploffing van een L298 brugdriver veroorzaakt door een kortsluiting
in de Chinese spoeltjes: de M3 boutjes mogen absoluut niet tegen de wikkeling
komen! Herstelling uitgevoerd en tegen de namiddag konden we ter gelegenheid
van mijn zeventigste verjaardag -met reuze wafelbak- <Steely> alvast
een kleine en voorlopige demonstratie laten geven. Genodigden voor deze demo
waren Philippe Druez, Heide Bertam, Alain Van Zeveren, Anne Christine Van
Bunder, Matthias Streulens, Ignace en Florence De Keyser, Kristof Lauwers,
Emilie De Vlam, Moniek Darge, Eva de Groeve, Mattias Parent, Kurd Vandevelde,
Valerie Bouckaert, Gerd Jeurissen, Lara Van Wynsberghe, Johannes Taelman,
Peter en An Van Lancker, Machteld Vandenabeele. Korte video gepost op Facebook.

- 08.01.2022: Alle kloppertjes zo goed als mogelijk afgeregeld. M10 tigen
afgeslepen waar nodig. Uitstekende delen hinderden immers het vrij bewegen
van de wielen. De vier wielen -van chinese makelij- goed vastgezet op de basisplaat.
Verder werk aan de firmware. Hier voorzien we na elke aanslag, een dode tijd
evenredig met de duur van de aanslagpuls, zo dat de duty cycle ten allen tijd
binnen de grenzen van het toelaatbare kan blijven. Wanneer gebruikers de kloppertjes
sneller proberen te laten slaan dan wat toelaatbaar is, zal deze automaat
de instruktie gewoonweg weigeren.
- 09.01.2022: De eerste werkbare versie van de firmware is nu zo goed als
afgewerkt. Een ontlaadweerstand over de bufferelko is erg wenselijk, om een
luide tik bij het inschakelen te vermijden. De testkode is voorlopig nog ondergebracht
in GMT onder de <Rodo> robot.
- 10.01.2022: Firmware verbeterd en uitvoerig getest. Testkode onder GMT in
orde gebracht, <Steely> is nu een onafhankelijke robot in het orkest
en heeft ook zijn eigen testmodule in GMT.
- 11.01.2022: Het PCB met de ontplofte L298 brugdriver hersteld. L298 vervangen
door een nieuw exemplaar. Het lossolderen van de ontplofte chip was geen sinecure.
- 12.01.2022: Kristof Lauwers aan het werk voor een namuda studie met <Steely>
en Emilie De Vlam. Eerste ontwerpen voor in te bouwen radarinterfaces uitgetekend.
- 13.01.2022: Verder werk aan de ontwikkeling van het radar interface voor
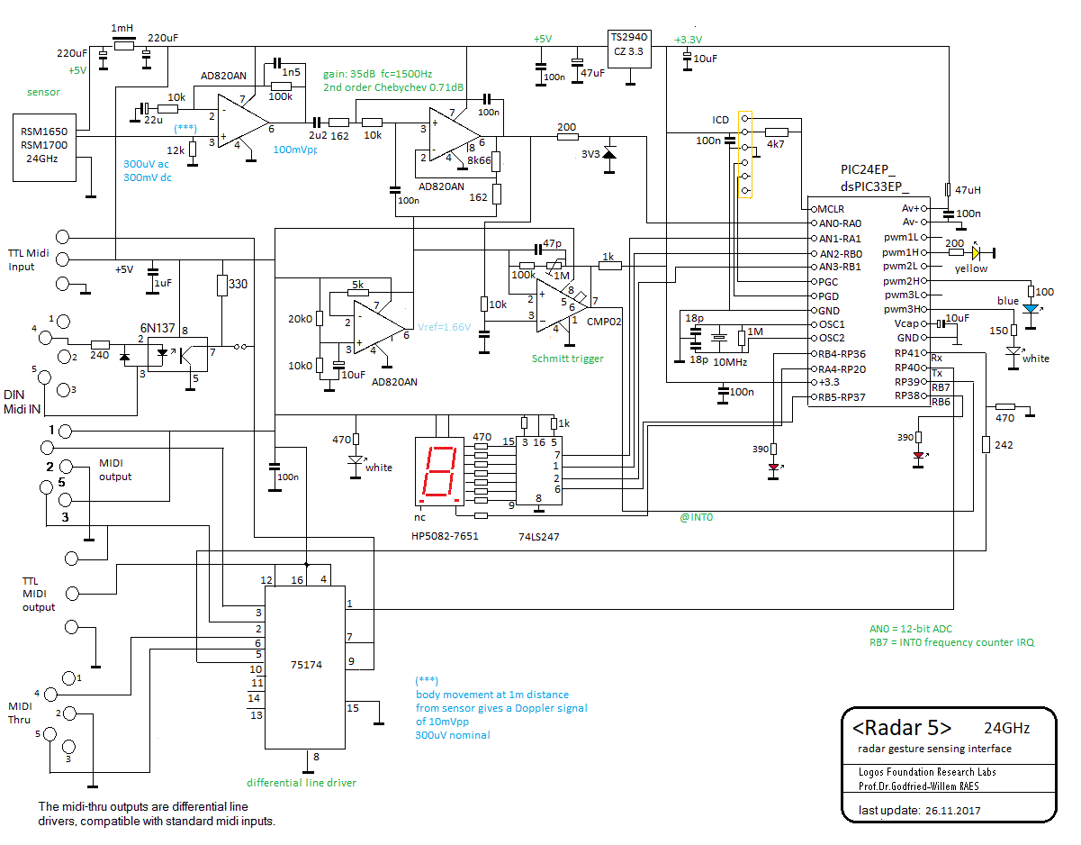
<Steely>, uitgaand van ons ontwerp uit 2017:
Het PCB hiervoor moeten we in elk geval herzien, om het te doen passen op
het chassis van Steely.
- 14.01.2022: Verder werk aan het PCB voor het radar interface. Omwille van
de afmetingen van het board verzaken we aan heel wat features uit het originele
ontwerp: geen midi-in, geen midi-thru en ook geen differentiele uitgangen:

- 15.01.2022: Het verschil tussen de twee mogelijke radar sensors hier is
gelegen in de openings- en afstraal hoek: RSM1700: Horizontaal en vertikaal
70 graden, voor de RSM1650 (of IPM165) is het horizontaal 80 en vertikaal
32 graden. Afgestraald microgolfvermogen is voor beide sensors gelijk: 16dBm,
de frekwentie eveneens: 24 GHz. Versie 1.0 voor de firmware voor dit radarboard
afgewerkt. Dit kunnen we uiteraard maar pas testen wanneer we ook de hardware
in elkaar gesoldeerd en getest hebben.
- 16.01.2022: Printontwerpen naar Polo verstuurd voor het maken van de nodige
films. Hier is het ontwerp (200%):

- 23.01.2022: PCB belicht, ontwikkeld, geetst en bestukt:
Enkele
onderdelen ontbreken nog hier... niet op voorraad en dus besteld bij Farnell.
Intussen maakten we ook een ontwerp dat de oude PIC-radars moet kunnen vervangen...
- 27.01.2022: debug sessie op de hardware van het radar board: we moeten voor
de eerste trap een inverterende konfiguratie nemen en op de niet inverterende
ingang 1.65V als referentie plaatsen. Nu kunnen we DC koppeling tussen de
trappen toepassen en komt de 2u2 kondensator te vervallen. De uitgangsimpedantie
van de sensor zelf is ca. 200 Ohm. De CMP02 komparator heeft helemaal geen
pull-up weerstand nodig en ook een zener om de spanning te begrenzen is overbodig.
Dit is het gekorrigeerde schema:

- 28.01.2022: Verder werk aan de firmware en de embedded kompositiekode voor
de PIC processor op het radar board.
- 29.01.2022: Eerste poging tot elastische inbouw van het sensorboard op de
robot.

- 30.01.2022: Verdere ontwikkeling van kode voor embedded komposities. Duurzaamheidstests
van de firmware.

- 01.02.2022: Vijf embedded stukjes afgewerkt voor het radar interface. Probleem
met het foutief werkend display opgelost: de M3 moer in de linkeronderhoek
van het PCB veroorzaakte een kortsluiting in de bit0 lijn van de 74LS247 chip.
- 02.02.2022: Duurzaamheids en stabiliteitstests met het radar interface.
Witte LED modules toegevoegd en gemonteerd op het onderchassis. Dit zijn drie
12 V modules die we in serie schakelden zodat ze ook bij de onbelaste voedingsspanning
van 34 V veilig ingeschakeld kunnen blijven. Alle schroefjes waarmee de banggood
magneten zijn vastgezet, vastgelijmd met cyaanacrylaat gel (Pattex). Idem
voor de DIN chassisdelen. Zesde stukje toegevoegd in de radar kode. 'Me fecit...'
plaatje vastgelijmd.
- 03.02.2022: 24h test passed.
- 04.02.2022: <Steely> vertrekt naar een tentoonstelling rond audio
art in de Kunstakademie van Tielt.
- 21.03.2022: <Steely> keert terug van de tentoonstelling in Tielt waar
hij onafgebroken mocht spelen gedurende zes weken. Nu wordt hij klaargemaakt
voor zijn interaktieve deelname aan het koncert van 23 maart in de Logos Tetraeder.
- 28.02.2023: <Steely> checked and found fully o.k.
- 17.09.2023: <Steely> doet mee aan de opstelling met het interaktief
robotorkest in de Hnita hoeve in Heist-op-den-Berg. Begeleider en animator
daar is dr.Hans Roels. Ook <Ake>, <Toypi> en <3Pi> zijn
van de partij.
- 10.12.2024: <Steely> krijgt een partij in de Magische Vierkanten van
Godfried-Willem Raes.
- 01.06.2025: <Steely> opgesteld als interaktieve robot in Sint-Truiden,
samen met <Kazumi>.
- 11.08.2025: Slecht nieuws bereikt ons vanuit Sint-Truiden: <Steely>
doet het niet meer...
- 22.08.2025: <Steely> terug in ons atelier voor herstelling: Hij blijkt
grondig stuk: alle solenoids zijn uitgebrand en gesmolten en ook de print
is helemaal uitgebrand...
Mogelijke oorzaken: sabotage,
een nieuw geinstalleerd alarmsysteem op 24Ghz, een ventilator voor de radar,
een boen/veeg/schuurmachine vlakbij <Steely>, een fatale crash van de
PIC microprocessor, opzettelijke storing middels GSM's in de buurt...
- 23.08.2025: Begin herstelling / rekonstruktie van <Steely>: alle solenoiden
weggenomen.
Deze zijn te vervangen
door hetzelfde type 12V, 12 Ohm. Opgelet, want gelijkaardige solenoiden gelabeld
als 12V met exact dezelfde vorm hebben we ook in stock, maar die hebben een
DC weerstand van slechts 6 Ohm en kunnen beslist niet worden gebruikt in Steely.
De pulsstroom zou 5.5A bedragen wat veel meer is dan wat de L298N's aankunnen.
Het originele type draagt het typenummer JF-0530B.
- 24.08.2025: PCB zorgvuldig van alle doorgebrande onderdelen ontdaan, een
werkje dat ons -gezien het feit dat we hier te maken hebben met een dubbelzijdige
print- meer dan vijf uur heeft gekost. Nieuwe onderdelen ingesoldeerd en microprocessor
(de oude was ook helemaal stuk) vervangen en van firmware voorzien. Om herhaling
van doorbranden te voorkomen monteerden we een koperen strip over de massa-
en koelvlakken van de brugdriver chips en op deze strip een temperatuursensor
die opent vanzodra de temperatuur groter wordt dan 70 graden.
Die
sensors hadden we nog op voorraad want we gebruikten ze ook voor de beveiliging
van de registermagneten in onze <Cemba> robot die we bouwden voor Berlijn.
Hier is het datablad voor deze
temperatuurschakelaars. Hier een foto van de herstelde print met temperatuurbeveiliging:
We hebben de firmware nog
eens uitvoerig getest op de skoop. Het bereik van de velocities gaat van 3
ms tot 9.5 ms. Aangezien er steeds een dode tijd geimplementeerd is van tweemaal
de velocity, is de maximale repetitiesnelheid nu 17.5 Hz bij maximale velocity,
iets wat de kloppertjes heel zeker niet kunnen halen.
- 25.08.2025: Alle elektromagneten opnieuw gemonteerd, deze keer met M3x12
hex-inbus boutjes voorzien van een moertje om de magneten vast te zetten.
Het risico om met de vastzetboutjes de wikkeling van de spoelen te raken is
hiermee goed opgelost. Wel moeten alle boutjes en moertes goed geborgd worden
tegen loskomen door trilling. Dit deden we met wat rode nagellak, bij gebrek
aan Loctite borgingslak. Het monteren van de spoelen is op deze wijze ook
heel wat komfortabeler geworden. Aangezien de 7805 regulator op het solonoid
driverboard toch behoorlijk warm bleek te worden, voorzagen we die nu ook
van een kleine TO220 koelvin met M3 schroefdraad. Omwille van de beperkte
ruimte, dienden we een zeldzaam M3 boutje met een vierkante kop te gebruiken
voor de montage.
<Steely> terug getest en goed bevonden. Het radarboard werkte meteen
weer feilloos. Wel is het belangrijk <Steely> pas onder spanning te
zetten nadat de midi uitgang van het radar board verbonden is met de midi
ingang van de robot. Zoniet wordt controller #66 immers gemist en zal <Steely>
het vertikken.
- 26.08.2025: Grondig nazicht van de firmware voor <Steely>. De duty
cyle voor de spoelen kan nu nooit groter zijn dan 20%. Na elke puls is er
nu immers een wachttijd van viermaal de duur van de puls. Later aansluiten
van het radar board zou nu ook geen problemen meer mogen opleveren, aangezien
de funktie van controller 66 helemaal herzien werd. Een foutafhandelingsprocedure
voor foutieve seriele data toevoer is nu ook ingebouwd. Ook de ruststroom
door de brugdriver konden we flink reduceren door systematisch de enable ingangen
laag te maken waar mogelijk. In versie 1 trok elke brugdriver in rust nog
22 mA, in de nieuwste versie konden we dit terugbrengen tot 4 mA. Bij 34 V
voedingsspanning brachten we zo het opgenomen rustvermogen van 700 mW terug
tot 136 mW.
- 27.08.2025: <Steely> heeft de 24u test goed doorstaan. Hij schept
het zelfs tot posterbeeld voor de komende maanden bij Stichting Logos.
To be done:
- make a flightcase.
- add more embedded compositions.
Last update: 2025-08-27
by Godfried-Willem Raes
Technical data sheet and maintenance instructions:
- Circuit:

- PIC-processor for the solenoids: 18F2620. Source code for the firmware:
Steely.bas Hex-dump for this firmware:
Steely.hex
Radar circuit:

Overview:

For stand-alone operation, connect the DIN-plug from the radar sensor board
to the midi-in connector on the backside of the robot. If <Steely> is
used as an externally controlled robot, disconnect this plug and connect your
MIDI source to the input connector. The radar board is active in all cases,
but has no effect when disconnected from the midi-input. All wiring and wiring
changes should be performed with the mains power off. Disconnect the IEC mains
plug prior to wiring changes.
For programming the two microprocessors, a PICkit3 or PICkit4 programmer (Microchip)
is required. The radar board has a programming connector, but the L298N board
requires a chip-clip with a connector. Of course, replacing the chip on the
board is also possible.