Dr.Godfried-Willem RAES
Kursus Experimentele Muziek: Boekdeel 2: Live Electronics
Hogeschool Gent - Departement Muziek en Drama
Een vaak voorkomend probleem wanneer we gegevens uit de werkelijke wereld in onze komputers -analoge zowel als digitale- willen binnenhalen heeft te maken met de onvoorspelbaarheid van het tijdmoment waarop 'iets' zich in die werkelijk voordoet.
De meest klassieke algemene procedure bestaat erin periodiek naar de binnenkomende data (in elektrische vorm) te 'kijken' en vervolgens in de lijst met 'samples' (gemeten waarden) die waarden op te zoeken die met het gezochte 'iets' overeenstemmen. Zetten we voor dit doel een komputer in, dan zullen we vlug genoeg kunnen konstateren dat deze machine onnoemelijk vele metingen en bewerkingen dient uit te voeren in verhouding tot het geringe aantal waarden dat ons eigenlijk echt interesseert. Immers, uit een reeks van n gemeten waarden zal die waarde gehaald moeten die met het gezochte overeenstemd, procedure waarvoor alle n waarden vergeleken moeten worden met het gezochte. Wanneer dit 'iets', het verschijnsel dat ons interesseert, te omschrijven valt als hetzij een minimum- hetzij een maximumwaarde (dit laatste geval is het meest koerant), dan bestaat er een relatief eenvoudige oplossing voor dit probleem door gebruik te maken van analoge elektronika.
We herinneren ons nog wel te teorie van de (ideale) kondensator: een elektronische komponent die wanneer hij tot een bepaalde spanning wordt opgeladen, deze waarde behoudt tot hij wordt ontladen. Een kondensator is dan ook principieel bruikbaar als geheugenelement voor het opslaan van een positieve of negatieve piek-waarde van een veranderlijke analoge spanning. Bij het uitwerken van een praktische schakeling zullen we er zorg moeten voor dragen dat wanneer nadat een piekspanning de kondensator op heeft geladen, deze spanning niet terugloopt wanneer de ingangsspanning na de piek weer een lagere waarde gaat vertonen. Dit kan erg makkelijk worden bereikt door de kondensator te laden via een diode, die immers slechts in een enkele richting geleidend is, en hier dus kan werken als een soort terugslagventiel:

Het nadeel van deze uiterst eenvoudige schakeling is:
1. Dat de diode pas begint te geleiden eens haar sperspanning wordt overschreden (afhankelijk van het type diode is dit 200mV tot 1.2V)
2. Dat de spanning op de kondensator wanneer we deze zouden willen meten, in elkaar zal storten door de door de meter gevormde belasting.
3. Dat we over geen middel beschikken om de kondensator opnieuw te ontladen.
Dit laatste bezwaar kunnen we bvb. ondervangen door de kondensator via een vaste weerstand R doorlopend te ontladen. De tijdkonstante van de RC-kring zal dan bepalend zijn voor de detekteerbaarheid van pieken die met een bepaalde frekwentie optreden. Het tweede bezwaar kan worden ondervangen door de spanning op de kondensator te bufferen via een extreem hoogohmige versterkertrap (een op-amp met FET-inputs bijvoorbeeld). Het eerste bezwaar tenslotte kan ondervangen worden door de diode op te nemen in de feedbackloop van een operationele versterker.
Naast deze zuiver teoretische bezwaren, kleven er aan dit soort ontwerp nog enkele technische problemen en bezwaren, voorspruitend uit het niet-ideale karakter van alle realizeerbare elektronische komponenten:
- elke kondensator heeft een eindige lekweerstand
- elke diode heeft ook in sperrichting een lekstroom
- elke ingangsweerstand is eindig
- alle hier genoemde afwijkingen van de teoretische en ideale komponent zijn geenszins konstant, maar verlopen in funktie van tijd, aangelegde spanning en temperatuur.
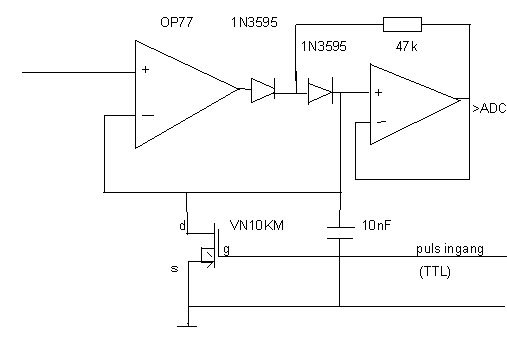
Een bijzonder mooie oplossing voor vele van deze teoretische én praktische problemen, uitgewerkt voor een piekdetektor waarvan de waarde door een komputer via een ADC-konvertor wordt uitgelezen, en waarbij diezelfde komputer via een uit te sturen puls (1 enkel bit) zorg draagt voor de ontlading van de kondensator, blijkt uit bijgaand schema.
Als komponent voor het ontladen van de kondensator werd een kleine power-mosfet ingehuurd (een VN10KM van Siliconix). Deze neemt immers genoegen met een TTL-signaal nivoo op zijn gate om volledig in geleiding te komen. De inwendige weerstand in geleiding beloopt slechts 5 Ohm.
De tijdkonstante voor de ontlading van de piekopslagkondensator bedraagt RC of 5. 10E-9 = 50 nanosekonden. De duur van de puls die we nodig hebben om de kondensator te ontladen zal dus minstens 50ns moeten bedragen. Aangezien de data-snelheid op een ISA bus niet veel groter kan zijn dan 8MHz, zijn alle haalbare pulsen bij gebruik van dit bustype in elk geval langer dan 125ns, waardoor we ons hierover geen zorgen hoeven te maken. Anderzijds zijn er ook beperkingen aan de duur van de resetpuls. Wie de werking van het schema goed doorheeft, zal konstateren dat wanneer de mosfet in geleiding is en de kondensator ontladen wordt, de opamp waaruit de kondensator wordt geladen kortgesloten is! Niet alleen verplicht dit ons tot toepassing van volstrekt kortsluitvaste opamps, maar bovendien dienen ze ook een hoge slew-rate te hebben omdat ze zich snel en zonder inregelverschijnselen van de kortsluiting moeten kunnen herstellen.
Een printontwerp voor 8 peakdetektors opgebouwd volgens deze schakeling, werd uitgewerkt en getest, en is aan deze paragraaf toegevoegd. De in dit ontwerp gebruikte op-amps zijn, voor de ingangsversterkers TLO71 (singles) en voor de detectors TLO72 (duals). De print is ontworpen om te worden gebruikt in samenwerking met de universele I/O kaart van Elektuur, waarover verder meer. Mits aanpassing van de pinning op de konnektors kan het ontwerp natuurlijk met eender welke meerkanaals ADC kaart worden gebruikt. De schakeling wordt gevoed uit een symmetrische voeding van 9 tot 15 Volt.
Wanneer er gevaar bestaat voor oversturing van de ingang van de ADC konverter kan geopteerd worden voor de toepassing van wat lagere voedingsspanningen dan de gebruikelijke +/- 15Volt. Wanneer een symmetrische 9V voeding wordt gebruikt dan beloopt de maksimale uitgangsspanning ca. +7 Volt. (Unipolair!)
De ingangssignalen worden geacht afkomstig te zijn van piezoelektrische opnemers. De feedback-weerstand en integratiekondensator over de eerste opamp moeten gedimensioneerd worden in funktie van een optimaal uitgangssignaal. De toegepaste mosfets zijn VN10KM types die slechts ca. 45,- per stuk kosten. Indien de reset pulsen van gewone (versus HCT of CMOS) TTL schakelingen afkomstig zijn, moeten pull-up weerstanden (10kOhm bvb.) toegepast worden op de reset ingangen, zoniet zou het kunnen zijn dat de mosfets niet geheel opengestuurd worden.
Voor de diodes moeten absoluut 'low-leakage' (lekvrije) types worden gebruikt. De lekstroom in sperrichting mag hooguit 50nA bedragen. Opgemerkt moet worden dat bij hogere temperaturen, deze lekstroom sterk gaat toenemen (bvb. voor het type 1N459A: 25nA bij 25 graden Celsius en 5000nA bij 125 graden). Wanneer je vervangtypes zoekt, moet je wel beschikken over volledige diode data-sheets. Equivalententabellen brengen je geen stap verder. Volgende types -van diverse fabrikanten- voldoen, in afnemende mate, aan deze eis:
ID100 en ID101 (0.1pA bij Ur <=5V, 6pA bij Ur <=30V) (dit is een dubbele diode van Intersil, die bijzonder geschikt is voor het hier voorgestelde ontwerp waarbij twee dioden per detektor gebruikt worden. Nadelen zijn dat deze dubbeldiode duur is en bovendien slechts op bestelling leverbaar...)
1N3595
BAS45 (1nA bij Ur <=125V) (Philips)
1N459 (25nA bij Ur <=20V)
BA317 (50nA by Ur<=10V) (Philips)
Ook aan de 10nF kondensator worden speciale eisen gesteld: gebruik bij voorkeur styroflex kondensatoren en beslist geen gewone keramische types. Het styroflex-type heeft de laagste lekstroom, maar is wel het duurst.


De ontwerpen voor de PC boards zijn ter beschikking, maar we hebben nog geen goede metode gevonden om ook die via internet beschikbaar te stellen.
Terug naar inhoudstafel kursus: <Index kursus>
Naar homepage dr.Godfried-Willem Raes